Product Description:
Technical Parameters:
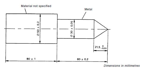
1,Test Rod Diameter: 30mm
2, Rigid Finger Length:80mm
3,Handle Diameter:50mm
4,Handle Length:80mm
5, According to : IEC61032:1997 Figure 16
Appliance :
This probe is intended to verify the protection against access to glowing heating elements.


